关于我们联系我们 网站地图 您好!欢迎访问米兰电竞app官方下载入口!
诚信立足·创新致远致力于研发、制造中国的高端轴承!
全国咨询热线:15137903805
您的位置: 主页 > ac米兰官方 > ac米兰app下载

英制等截面薄壁深沟球轴承

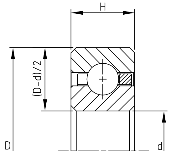
英制等截面薄壁深沟球轴承 C型深沟球轴承是内外圈带有超深沟(滚道沟槽深度=球直径的25%)的单列深沟球轴承。

在线咨询 全国热线
15137903805
产品简介 / PRODUCT INTRODUCTION

英制等截面薄壁深沟球轴承
      C型深沟球轴承是内外圈带有超深沟(滚道沟槽深度=球直径的25%)的单列深沟球轴承。

英制深沟球轴承.png

1.png

2.png

3.png

4.png

5.png


热品推荐
Copyright (©) 2005-2025 米兰电竞app官方下载入口 版权所有 备案号:豫ICP备10000262号

豫公网安备 41032202000151号

Baidu
map